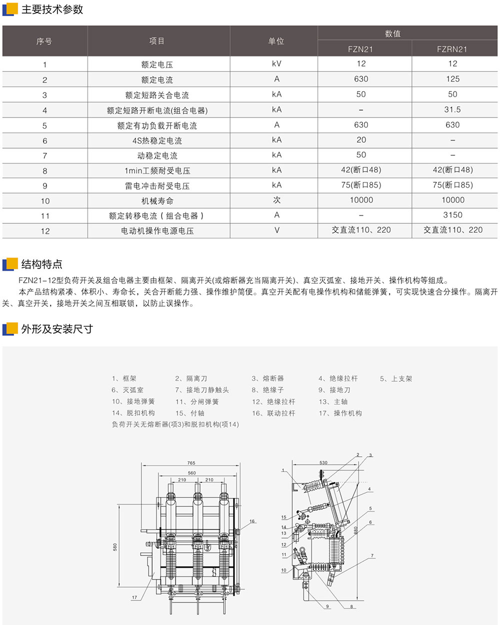
HOME高压真空负荷开关FZN21-12RD系列户内高压真空负荷开关+熔断器组合电器 FZN21-12RD系列户内高压真空负荷开关+熔断器组合电器 FZN21-12RD系列户内高压真空负荷开关+熔断器组合电器 FZN21-12D/T630-20、FZN21-12DR/T125-31.5型高压真空负荷开关及组合电器用于三相交流12kV、50Hz的配电系统中,具有结构紧凑、体积小、重量轻、寿命长、关合开断能力强、安全可靠等优点,与熔断器配合使用(简称组合电器),可替代造价较高的断路器,其操作和维护简单方便。 产品详情 返回列表