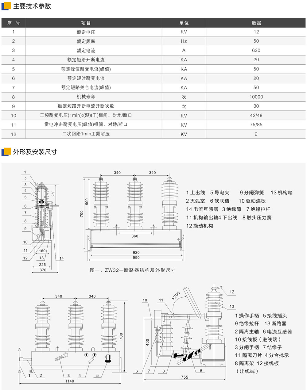
HOME户外真空断路器ZW32-12Y户外高压永磁真空断路器 ZW32-12Y户外高压永磁真空断路器 ZW32-12Y户外高压永磁真空断路器 ZW32-12Y型永磁户外真空断路器(以下简称断路器)为额定电压12kV,三相交流50Hz的户外配电设备。主要用于开断、关合电力系统中的负荷电流、过载电流及短路电流。适用于变电站及工矿企业配电系统中作保护和控制之用,及农村电网频繁操作的场所。 本断路器具有体积小、重量轻、防凝露、免维护等特点,能适应较恶劣的气候条件和污秽环境。 产品详情 返回列表